連續進料、連續出料
設備型号:
适用範圍:主要适用于中西藥品、食品、生物工程、化工原料、保健品、食品添加劑等各種液體膏狀類原料的低溫幹燥,尤其是對于粘性高、易結團、熱塑性、熱敏性的物料;不适于或無法采用噴霧幹燥的物料,真空低溫連續幹燥機是最佳選擇。
具體如下:
制藥生物行業:如中藥浸膏、植物提取液、蛋胚幹燥處理、PVPK系列粘合劑、發酵液等。
食品保健行業:如麥精、低聚糖、速溶固體飲料、茶粉、可可粉、玉米漿、植物蛋白、調味品等。
精細化工行業:如锂電池原料、甲維鹽等。
磷化工以及聚酯行業。
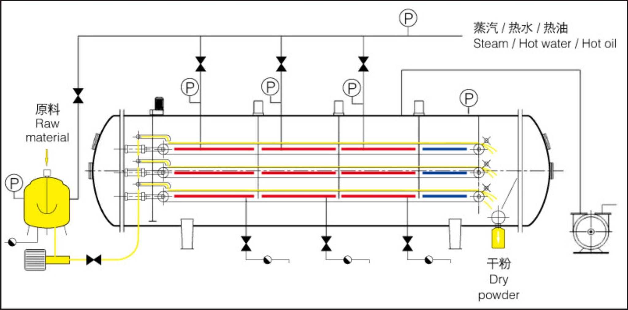
真空低溫液體連續幹燥機是一種連續進料、連續出料的真空幹燥設備,液體原料通過進料泵輸送至幹燥機内,并通過布料器均勻的分布在傳送帶上,通過高真空從而降低物料沸點溫度,液體原料水分直接升華爲氣體,傳送帶在加熱闆上勻速運轉,加熱闆内熱源可采用蒸汽、熱水或電加熱等方式,通過傳送帶的運轉,從前端的蒸發、幹燥至後端的冷卻出料,溫度段由高至低,具體根據物料特性可調,出料端配有特定的真空粉碎裝置以達到不同粒度的成品,幹燥後的粉料可自動包裝或後續工藝。

真空低溫液體連續幹燥機的誕生使傳統的靜态幹燥轉化爲真空動态幹燥,由傳統的10-20小時幹燥出産品,轉化爲30-60分鍾出産品,達到了根據不同的物料調節不同的幹燥溫度的目标,解決了噴霧幹燥溫度高,傳統烘箱時間長容易變性的難題。幹燥後産品的色澤、溶解性、物性的保存是其他設備無法可比的。
| 型号 | 直徑 | 長度 | 高度 | 換熱 面積 |
加熱 溫度 |
進料 含水 |
幹料 含濕 |
加熱 介質 |
水蒸 發量 |
主機 功率 |
| Model | Diameter | Length | Height | Heating area | Heating temperature | Moisture contentoffeeding material | Moisture content of dried product | Heating resource |
Water Evaporation | Dryer body power |
| mm | mm | mm | ㎡ | ℃ | % | % | kg/h | kw | ||
| MJY30-4 | 1700 | 9800 | 2700 | 30 | 30-300 可調 |
20-80 有流動性 |
0.2-5 可調 |
蒸汽或熱水或熱油 Steam or Hot water or Hot oil |
15-25 | 10.00 |
| MJY60-6 | 2200 | 10800 | 3650 | 60 | 45-55 | 14.00 | ||||
| MJY80-6 | 2200 | 13500 | 3650 | 80 | 60-75 | 14.50 | ||||
| MJY100-6 | 2200 | 16100 | 3650 | 100 | 80-90 | 15.50 | ||||
| MJY120-7 | 2200 | 16100 | 3650 | 120 | 100-110 | 16.50 | ||||
| MJY160-8 | 2800 | 17300 | 4100 | 160 | 120-140 | 18.50 | ||||
| MJY200-10 | 2800 | 17300 | 4150 | 200 | 160-180 | 25.50 |
| 敏傑低溫連續幹燥機 | 傳統幹燥工藝 |
| 1、解決高難度原料的幹燥 2、管道化、連續化、自動化 3、實現幹燥粉碎制粒一體化 4、超低溫更好保存産品品質 5、能耗低,安全環保 6、在線自動清洗,符合藥品GMP 7、全程自動化,降低勞動力成本 |
1、間歇式生産、工藝環節複雜 2、溫度高、時間長、産品易變性 3、人工進出料,勞動強度大 4、運行能耗高、有安全隐患 5、現場粉塵大,回收率低 |
